General Seguridad Accionamientos - 10 diciembre, 2025
Guía Completa para Configurar STO en SINAMICS S210 New con Startdrive
La función Safe Torque Off (STO) es uno de los pilares de la seguridad funcional en accionamientos industriales y su correcta configuración es esencial para garantizar la integridad de operarios y maquinaria. En aplicaciones como robots, máquinas de ensamblaje o sistemas de manipulación, la capacidad de eliminar el par del motor de forma segura y certificada permite diseñar arquitecturas más fiables y cumplir con normativas de seguridad cada vez más exigentes.
La nueva generación SINAMICS S210 new incorpora mejoras significativas frente a su versión anterior, tanto en diagnóstico como en flexibilidad de cableado y opciones de integración. En esta guía te mostramos, paso a paso, cómo configurar STO mediante bornes (F-DI) o a través de PROFIsafe utilizando Startdrive en TIA Portal, explicando las diferencias, requisitos y categorías de seguridad alcanzables.
¿Qué es la función STO?
Safe Torque Off (STO) interrumpe de forma inmediata el suministro de energía formadora de par o fuerza al motor. Si al activar STO el motor aún está girando, se detendrá por inercia, como se muestra en la Figura 1.

El STO forma parte de las funciones Safety Integrated del accionamiento. La gama SINAMICS S210 new incorpora mejoras significativas en materia de seguridad, permitiendo alcanzar categorías de seguridad superiores en comparación con la versión anterior.
Estas mejoras se basan en:
- Nuevas funciones de diagnóstico (autotest).
- Distintas opciones de cableado para las entradas de seguridad F-DI.
En la tabla de la figura 2 se muestran las distintas categorías de seguridad alcanzables según tipo de control y diagnóstico parametrizado en el drive.

Cómo configurar STO vía bornes (F-DI) en SINAMICS S210
Si se desea controlar el STO mediante las entradas de seguridad F-DI integradas en el drive, debemos tener en cuenta que existen tres opciones de cableado, cada una con un nivel de seguridad asociado. En función del cableado, se parametrizará el tipo de diagnóstico (autotest) correspondiente.
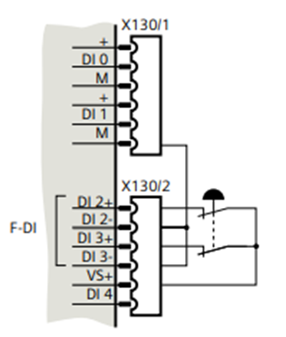
1. Cableado F-DI con VS+
El cableado de las entradas de seguridad F-DI (DI 2 y DI 3) con el terminal VS+ se muestra en la figura 3.

Las características de este cableado son:
- Autotest mediante impulsos de desactivación especificados a través del borne VS+.
- Se puede alcanzar la categoría 4 según ISO 13849-1.
- Detección de cortocircuitos (respecto a tierra y 24 V).
1.1. Cómo parametrizar STO con entradas F-DI y autotest vía VS+ en Startdrive
Para iniciar la puesta en marcha, podemos utilizar el renovado asistente Safety de Startdrive en TIA Portal, que nos ayuda con la configuración del STO y la selección del autotest según el tipo de cableado. Para ello, accedemos al apartado Safety Integrated en la parametrización del drive. Allí seleccionamos el control vía bornes y la reacción de parada STO (Figura 4).

Después configuramos el tipo de entradas y el tiempo de discrepancia entre ambas F-DI (Figura 5).

Finalmente, seleccionamos el autotest “vía impulsos de desactivación especificados en VS+” y ajustamos el filtro de entrada y el tiempo del impulso de desactivación. Una vez completado, finalizamos la puesta en marcha (Figura 6).

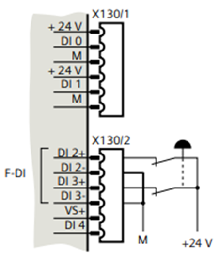
2. Cableado de F-DI con 24 VDC externos
El cableado mediante 24 V externos se muestra en la figura 7.

Las características de este cableado son:
- Autotest mediante señales de prueba internas.
- Se puede alcanzar la categoría 3 según ISO 13849-1.
2.1. Cómo parametrizar STO con F-DI con 24V externos en Startdrive
Los dos primeros pasos son idénticos a los del caso anterior. La diferencia está en la selección del autotest, en este caso se elige “Autotest vía señales de prueba internas” (Figura 8).

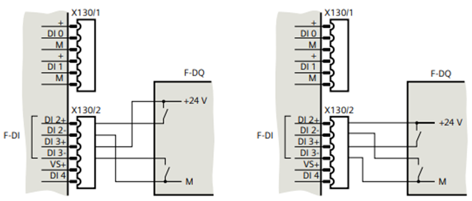
3. Cableado de F-DI mediante salidas F-DQ de CPU F
La tercera opción utiliza una salida de seguridad F-DQ de un PLC seguro, tal como se muestra en la Figura 9.

Las características de este cableado son:
- Autotest mediante impulsos de desactivación especificados externamente.
- Se puede alcanzar la categoría 4 según ISO 13849-1.
3.1. Cómo parametrizar STO mediante F-DI con salida F-DQ de CPU F en Startdrive
El procedimiento inicial es el mismo que en los dos casos anteriores. La diferencia se presenta cuando seleccionamos el tipo de autotest. En este caso, debemos seleccionar “Autotest vía impulsos de desactivación especificados externamente” y definir el intervalo máximo admisible (Figura 10).

Configurar STO mediante PROFIsafe en SINAMICS S210 new: integración completa en red
La gama SINAMICS S210 también nos permite utilizar Safety Integrated a través de PROFIsafe. Tal y como se indica en la Tabla 1, es posible alcanzar hasta la categoría 4 según ISO 13849-1.
Puesta en marcha de STO con PROFIsafe en Startdrive (paso a paso)
Para configurar esta opción en Startdrive, seleccionamos el tipo de control vía PROFIsafe (Figura 11) en el asistente.

También es posible combinar PROFIsafe con control vía bornes.
En este caso, deben tenerse en cuenta los aspectos de autotest que se han comentado en apartados anteriores.
Para activar esta opción seleccionamos “Control vía PROFIsafe y parada de emergencia en bornes” (Figura 12).

Posteriormente indicamos la reacción en caso de fallo (Figura 13). Una vez seleccionado STO y revisada la dirección PROFIsafe, finalizamos la puesta en marcha.

Conclusiones
La nueva gama SINAMICS S210 new ofrece mejoras en materia de seguridad, permitiendo alcanzar hasta Categoría 4 según ISO 13849-1, siempre que el cableado y el tipo de autotest se seleccionen correctamente. La posibilidad de elegir entre tres configuraciones de entradas F-DI o integrar totalmente la seguridad mediante PROFIsafe permite adaptar la solución a cualquier nivel de complejidad o requerimiento normativo.
La configuración desde Startdrive se ha simplificado gracias al asistente de Safety, que guía al integrador en la selección del diagnóstico adecuado, los tiempos de discrepancia y el tipo de control. Esto reduce errores de parametrización y acelera la puesta en marcha en entornos industriales donde la seguridad funcional es crítica.
En definitiva, elegir el modo de control STO adecuado no solo garantiza el cumplimiento normativo, sino que también mejora la fiabilidad del sistema, facilita el mantenimiento y proporciona una base sólida para futuras ampliaciones de la máquina o de la red de automatización.
En Contaval, estaremos encantados de ayudarte con cualquier consulta sobre seguridad y accionamientos de Siemens en tu proyecto de automatización industrial.